ellie@jsbd.com
+86-519-88503010
ລາວ
English
Монгол хэл
Gàidhlig
Hawaiian
Lëtzebuergesch
Español
Português
русский
français
日本語
Deutsch
Tiếng Việt
Italiano
Nederlands
ไทย
Polski
한국어
Svenska
magyar
Malay
বাংলা
Dansk
Suomi
हिन्दी
Pilipino
Türk
Gaeilge
عربى
Indonesia
norsk
اردو
čeština
Ελληνικά
Українська
Javanese
فارسی
தமிழ்
తెలుగు
नेपाली
Burmese
български
ລາວ
Latine
Қазақ
Euskal
Azərbaycan
slovenský
Lietuvos
Slovenski
Српски
Restore
ບ້ານ
ກ່ຽວກັບພວກເຮົາ
ປະຫວັດສາດຂອງພວກເຮົາ
ໂຮງງານຂອງພວກເຮົາ
ຄໍາຮ້ອງສະຫມັກຜະລິດຕະພັນ
ໃບຢັ້ງຢືນຂອງພວກເຮົາ
ອຸປະກອນການຜະລິດ
ຕະຫຼາດການຜະລິດ
ບໍລິການຂອງພວກເຮົາ
ຜະລິດຕະພັນ
ຄວາມກົດດັນສູງ laminate
ກະທັດຮັດ Laminate
ກະດານທົນທານຕໍ່ສານເຄມີ
ກະດານຕ້ານໄຟ
ຂ່າວ
ຂ່າວຂອງບໍລິສັດ
ການເກັບສີ
ດາວໂຫຼດ
ຂ່າວຂອງບໍລິສັດ
ການເກັບສີ
ການເກັບສີ
ຕິດຕໍ່ພວກເຮົາ
ເຮືອນ
>
ຂ່າວ
> ຂ່າວຂອງບໍລິສັດ
ຂ່າວ
ການເກັບສີ
ຂ່າວຂອງບໍລິສັດ
ສິນຄ້າ ໃໝ່
ຄວາມກົດດັນສູງ laminate ຕົກແຕ່ງ
Countertop Laminate ກະທັດຮັດ
ຄະ ນະ ຕ້ານ ສານ ເຄ ມີ ຫ້ອງ ທົດ ລອງ
Postforming ຄວາມກົດດັນສູງ laminate
ຜະລິດຕະພັນ ໃໝ່ ທັງ ໝົດ
ຂ່າວຂອງບໍລິສັດ
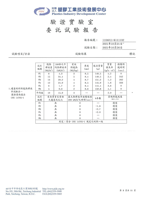
ກະດານຕ້ານໄຟໄຫມ້ຂອງພວກເຮົາຜ່ານການທົດສອບ CNS 14705-1 ໃນໄຕ້ຫວັນສົບຜົນສໍາເລັດ.
2022-01-12
ກະດານຕ້ານໄຟຂອງພວກເຮົາຜ່ານການທົດສອບ CNS 14705-1 ໃນໄຕ້ຫວັນຢ່າງສໍາເລັດຜົນ.
ທີ່ຜ່ານມາ:
ວິທີການເລືອກກະດານເຮືອນຄົວ?
ຕໍ່ໄປ:
ຝາພື້ນຫຼັງຫິນອ່ອນ
+86-519-88503010
ellie@jsbd.com